Endeavour Version 2.0 Preview
A new version 2.0 of Endeavour, our software for crystal structure solution from powder data, will be released in the first half of 2026.
In general, users of Endeavour version 1.x can update to version 2 at a reduced price.
Customers who purchased Endeavour after December 31, 2023 can update free-of-charge.
The new version 2.0 contains several improvements and a variety of bug fixes:
Most important improvement
Multiple parallel structure solution calculations
Structure solutions using a range of seed values can now be performed as parallel calculations, making better use of multiple existing processor cores.
By default, the new version 2 of Endeavour distributes the calculations across multiple processing cores automatically for you when you run the Structure Solution Wizard
and use the (default) setting "Adjust parameters for structure solution calculation automatically".

If you choosie to continue with the next pages (or switch one step back from the last page of the wizard), you can check, control, and change the number of processing cores to be used.
On the Define environment settings page, you will find the new option Multiple parallel structure solution calculations.
For example: On a PC with 4 processing cores, 2 are used by the default setting. To change the number of cores, i.e. the number of parallel calculations, use the Calculation Settings button.
In this example, the first process takes seed values 1 through 3, the second process takes seed values 4 and 5.
(The second option "Run calculations sequentially in current document" is to run the 5 calculations for seed values 1 through 5 one after the other on a single core, as used in version 1 of Endeavour.)

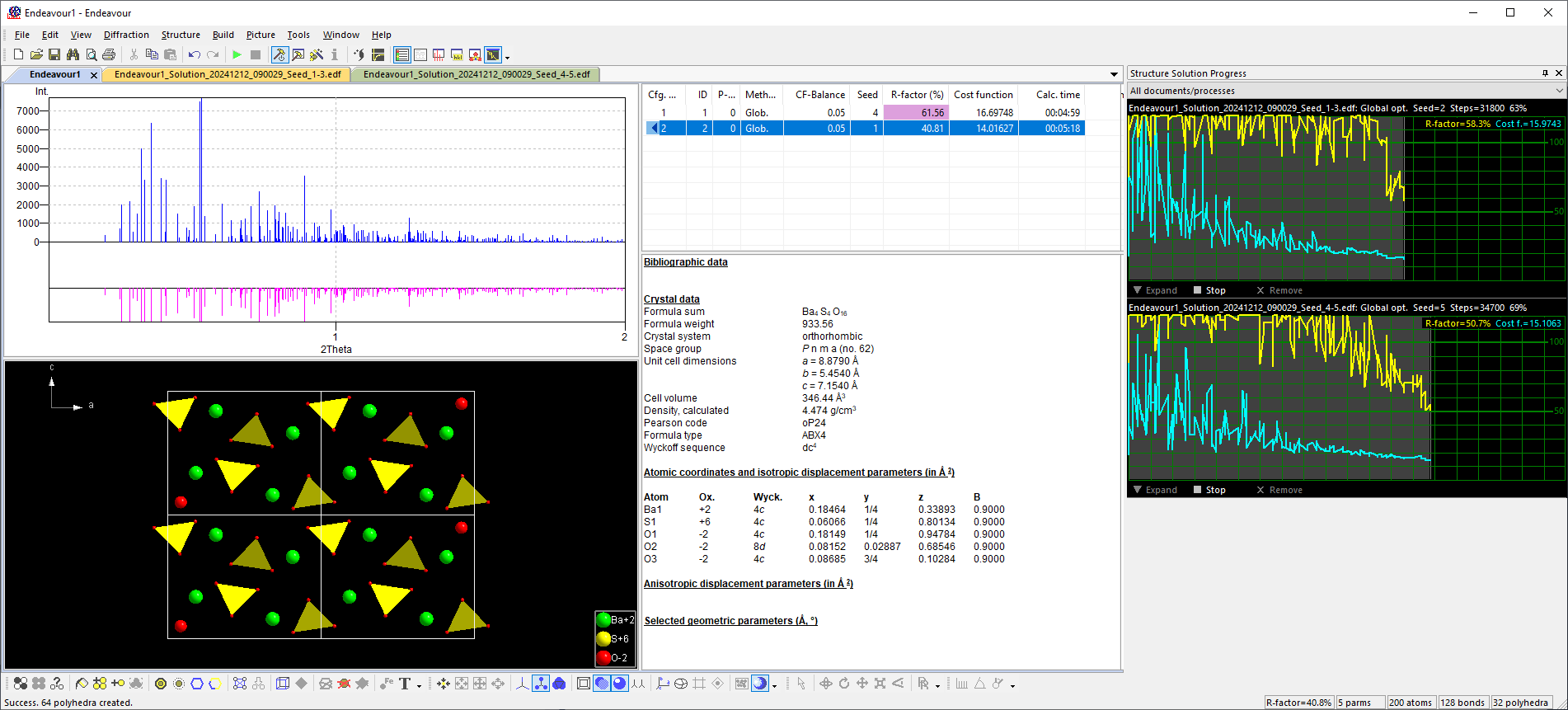
To perform two (or more) parallel calculations, the Endeavour document (called the client document) creates two or more additonal tabs (working documents) as shown in the following screenshot:

In this example, the structure solution of BaSO4 (from the Endeavour tutorial) is split into two parallel calculations, accessible and controllable through the yellow and the green tab.
The client tab (where the structure solution has started from by using the Structure Solution Wizard) receives the completed configurations each
(here: configurations with seed values 1 and 4, with seed value 1 focused in structure picture and data sheet) while the next two configurations (seed 2 and 5) are still in progress as shown in the Structure Solution Progress Viewer.
When the structure solution has finished successfully, all configurations are listed in the client document's configuration list, here with another example from the Endeavour tutorial: 2,4,6-Tri-isopropylbenzenesulfonamide:

New and enhanced functions
Import and export of configurations
File/Import Configurations: can be used to import multiple CIF files/structures (or a different format) into one single Endeavour document by adding them to the configuration list or creating a new document. It is the answer to questions like this:
"Can you think of any way to import structures from multiple CIF files (or a single CIF file with multiple structures) into a single Endeavour document, so that the individual structures are available as 'configurations' on the right in the 'Configuration list'? I need something like this to import results from 'kernel-only calculations' with multiple seed values into a surface document."
File/Export Configuration(s) to export selected or all configurations of the configuration list in an Endeavour document, a Diamond structure file, or in a foreign format, such as CIF.
Saving of step-scan data
The general command "File/Save As/Save Diffraction Data" offers saving of the step-scan (profile) data.
Show cost function/R-value diagram in Results Report
Show the Report Pareto optimization diagram (cost function and R-value vs. progress), similar to what is already displayed in the Progress Viewer. The Results Report view will offer you tabs below the actual report: Plain text | Formatted | Diagram.

Screenshot of configuration list (seed values 1 through 5) and Pareto diagram of the selected configuration after running BaSO4 example from tutorial.
File/Properties
A new page has been added (as first page) to the Properties dialog listing document/file informations such as if and what experimental reflection data are present and if and how many configurations are available.

Screenshot of File/Properties dialog after calculation of 5 configurations with seed values 1 through 5 using BaSO4 example from tutorial
Further improvements
Molecules and special sites
When running a structure solution with molecules in a space group higher than P1, the reference atom (or central atom) of a molecule can now be placed on a special site (Wyckoff position), even if the special site contains free parameters.
When placing a molecule on the general position of the space group, a site occupation factor can now be given that is applied to all atoms in the molecule, to justify the electron (or atomic nuclei) count. This can be useful e.g. if the count of the general position exceeds the number of molecular units in the unit cell (Z).
Electron diffraction data
The solution of crystal structures from single crystallite electron diffraction data will be improved.
Bug fixes
A variety of bugs will be fixed.
|